| 照片 |
胆机型号 |
照片/电路 |
输出功率/W |
用管及配制(均采用搭棚焊接) |
输出牛
功率/W |
电源牛
功率/W |
价格 |
 |
T-GM70
300B牛推
GM70
甲类 /纵式分体 |
照1
照2
照3
照4
电路 |
2X30W |
配俄 GM70 X2
300B X2,牛推动,
6J4P X2 放大,
5Z3PA X2, 6E2 X2
设制前后两组RCA输入座.
优质菠萝格木做面板,不锈钢盘。外形尺寸:长深高(CM)27X52X25.
整机重23KG X2,加包装重27KG X2.
GM70 灯丝采用直流供电.8欧输出端 噪声电压小于2毫伏
电源输入设置:
115V/230V
|
100单 |
460WA10 |
售完
|
 |
T10A-7
300B牛推
845
甲类 /纵式分体
|
照1
照2
照3
照4
照5
照6
电路 |
2X28W |
845 X2(或211 X2),可直换(开关变换)
300B X2,牛推动
6J4P X2 放大,6E2 X2
5Z3PAT X2 ,
设制前后两组RCA输入座.
优质菠萝格木做面板,不锈钢盘。 外形尺寸:长深高(CM) 27X52X25.
整机重22.5KG X2,加包装重26KG X2.
211/845 灯丝采用直流供电.8欧输出端 噪声电压小于2毫伏
电源输入设置: 230V/250V
|
75单 |
460WA9 |
售完
|
 |
FB-211A
牛推 211
分体甲类功放/纵式
低重心设计
|
照1
照2
照3
电路 |
2X25W |
845 X2(或211 X2),可直换(开关变换)
6C5P X2
6P9P X2
5Z3PA X2
8欧输出端 噪声电压小于2毫伏。
优质菠萝格木做面板,
不锈钢盘,外形尺寸:长深高(CM) 23X50X23
整机重17KG X2,加包装重20KG X2
|
50W单 |
250WA7 |
售完 |
 |
T11B-211
300B牛推211
分体推挽功放/纵式
强大的功率
可推动所有的音箱.
|
照1
照2
照3
电路 |
2X75W |
211 X4(配贵族)
配贵族300B X2,可直换2A3B/2A3C
6C5P X2
6P9P X2
输出阻抗:8 欧/16 欧. 噪声电压小于3毫伏。
优质菠萝格木做面板,不锈钢盘,外形尺寸:长深高(CM) 27X52X25.
整机22.8KG X2,加包装重26KG X2
电源输入设置: 115V/230V
|
120W推 |
460W |
售完 |
 |
FB-211
阻流圈推
分体甲类功放/纵式
低重心设计
|
照1
照2
照3
电路 |
2X25W |
211 X2,可直换845(开关变换)
6P9P X2
6C5P X2
5Z3PA X2
8欧输出端 噪声电压小于2毫伏。
优质菠萝格木做面板,不锈钢盘,
外形尺寸:长深高(CM) 23X50X23
整机重17KG X2,加包装重20KG X2
电源输入设置: 115V/230V
|
50W单 |
250WA7 |
售完 |
 |
T1E-211
211/845
甲类/横式合并 |
照1
照2
照3
照4
电路1
电路2 |
2X26W |
211 X2 ,可直换845(开关变换)
6C5P X2 放大 ,6P9P X2 放大
,5Z3PA X2
蓝壳双连电位器音量控制
优质菠萝格木左右板,不锈钢盘外形尺寸:长深高(CM) 52X40X26
每台整机重32KG,每台加包装重39KG.
211/845灯丝采用直流供电.8欧输出端
噪声电压小于2毫伏
|
50单 |
300WA9型
次高压,灯丝牛
高品质
420W
C型铁芯高压牛
高品质
6H 0.5A
C型铁芯阻流圈
|
售完 |
 |
T10A
845
甲类 /纵式分体
2003年打造的库存机
|
照1
照2
照3
电路 |
2X28W |
845 X2
6C5P X2
6P9P X2 放大
6E2 X2
5Z3PAT X2
不锈钢盘,外形尺寸:长深高(CM) 27X52X25.
整机重21.5KG X2,加包装重24.5KG X2.
8欧输出端 噪声电压小于2毫伏
电源输入设置: 220V
|
75单 |
460W |
售完 |
 |
T10A-2
300B
阻流圈推
845 固偏压
甲类 /纵式分体 |
照1
照2
电路
|
2X30W |
845 X2 输出2X30W
300B X2,
6J8X2 放大,
5Z3PT X2,6E2 X2
两声道分体.不锈钢盘。 外形尺寸:长深高(CM) 27X52X19.
单台整机重20KG,加包装重23KG.
845灯丝采用直流供电.8欧输出端噪声电压小于2毫伏
前面板有合金铝白色. |
75单 |
460WA9 |
售完 |
 |
T10A-3
300B
阻流圈推
845
甲类 /纵式分体 |
照1
照2
电路
|
2X28W |
845 X2 输出2X30W
300B X2,
6J8X2 放大,
5Z3PT X2,6E2 X2
两声道分体.不锈钢盘。 外形尺寸:长深高(CM) 27X52X19.
单台整机重20KG,加包装重23KG.
845灯丝采用直流供电.8欧输出端噪声电压小于2毫伏
前面板有合金铝白色. |
75单 |
460WA9 |
售完 |
 |
T10A-4
300B
阻流圈推
845
甲类 /纵式分体 |
照1
照2
照3
电路
|
2X28W |
845 X2 输出2X28W
300B X2,
6J8X2 放大,
5Z3PT X2,6E2 X2
两声道分体.不锈钢盘。 外形尺寸:长深高(CM) 27X52X19.
单台整机重20KG,加包装重23KG.
845灯丝采用直流供电.8欧输出端噪声电压小于2毫伏
|
75单 |
460WA9 |
售完 |
 |
T10A-5
300B牛推
845/211
甲类 /纵式分体
|
照1
照2
照3
照4
照5
照6
电路 |
2X28W |
845 X2 输出2X25W ,可直换211(开关变换)
300B X2,牛推动
6Ж4 X2 放大
5Z3PT X2
两声道分体.不锈钢盘。 外形尺寸:长深高(CM) 27X52X19.
单台整机重20KG,加包装重23KG.
845/211灯丝采用直流供电.8欧输出端 噪声电压小于2毫伏
前面板有合金铝白色.
|
75单 |
460WA9 |
售完 |
 |
T10A-6
6P14直推
曙光211
甲类 /纵式分体
电路初创设计者:日本 大桥一夫
电路完善和机型设计制造者:中国
黄庆新 |
照1
照2
照3
照4
照5
照6
初创电路
完成电路 |
2X28W |
曙光211 X2 输出 2X28W.
6N6 X2 放大
6N8P X2 放大,.
6P14 X2,阴极直推动211
5Z3PT X2
两声道分体.不锈钢盘。 外形尺寸:长深高(CM) 27X52X19.
单台整机重22KG,加包装重26KG.
211灯丝采用直流供电. 8欧输出端 噪声电压小于1.6毫伏.
|
75单 |
460WA21 |
日本大桥一夫先生是一位知识渊博
的电子管热情业余爱好者。
2010年8月22日光临我公司,
售完 |
 |
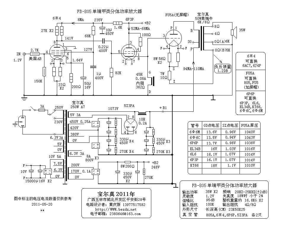
FB-805
6P6P阻流圈推动
805
分体甲类功放/纵式
低重心设计 |
照1
照2
照3
电路 |
2X35W |
805A X2 (加屏帽线,可直换805)
6P6P X2 阴极直推动
6Ж4 X2 放大
5Z3PA X2 可
8欧输出端 噪声电压小于2毫伏。
优质菠萝格木做面板,
不锈钢盘 ,外形尺寸:长深高(CM) 23X50X23
整机重17KG X2,加包装重20KG X2
|
50W单 |
250WA7 |
售完
|
 |
T1E-805
6P3P阻流圈推动
805/FU5
甲类/横式合并 |
照1
电路 |
2X35W |
805A X2 可直换FU5(加屏帽线)
6J4P X2放大,
6P3P X2推动,
5Z3PA X2
蓝壳双连电位器音量控制
优质菠萝格木左右板,不锈钢盘外形尺寸:长深高(CM) 52X40X26
每台整机重34KG,每台加包装重41KG.
805A灯丝采用直流供电.8欧输出端 噪声电压小于2毫伏。
电源输入设置: 230V
|
50单 |
300WA9型
次高压,灯丝牛
420W
C型铁芯高压牛
6H 0.5A
C型铁芯阻流圈
|
售完 |
 |
T10B-1
6P3P阻流圈推动
805
甲类/纵式分体
|
照1
照2
照3
电路 |
2X40W |
805A X2
6J4P X2放大,
6P3P X2阻流圈推动,
5Z3PA X2
6E2 X2
每套为两分体不锈钢盘
805A灯丝采用直流供电.8欧输出端 噪声电压小于2毫伏。
两声道分体.不锈钢盘。 外形尺寸:长深高(CM) 27X52X19.单
台整机重20KG,加包装重23KG. *
|
75单 |
460WB10 |
售完
|
 |
|
照1
照2
电路 |
2X40W |
805A X2, 2A3B X2, 6Ж4
X2,6E2 X2, 5Z3PA X2
每套为两分体不锈钢盘
805A灯丝采用直流供电.8欧输出端
噪声电压小于2毫伏。
两声道分体.不锈钢盘。 外形尺寸:长深高(CM)
27X52X19.单
台整机重20KG,加包装重23KG.
|
75单 |
460WB10 |
售完
|
 |
T10B-4
300B阴极阻流圈直推
805
甲类/纵式分体 |
照1
照2
照3
照4
电路 |
2X40W |
805A(无屏帽) X2, 可直换805,FU5(另加屏帽线)
300B X2,6Ж4
X2 放大,5Z3PA X2,
两声道分体.不锈钢盘。 外形尺寸:长深高(CM)
27X52X19.
单台整机重20KG,加包装重23KG.
805A灯丝采用直流供电.8欧输出端
噪声电压小于2毫伏 |
75单 |
460WB10 |
售完 |
| 
|
T10B-5
300B阴极阻流圈直推
805
甲类/纵式分体 |
照1
照2
电路1
电路2 |
2X40W |
805A(无屏帽) X2, 可直换FU5(另加屏帽线)
贵族300B X2, 阴极阻流圈直推
6J4P X2 放大, 5Z3PA X2
设制前后两组RCA输入座.
两声道分体.不锈钢盘,外形尺寸:长深高(CM) 27X52X25.
单台整机重22.5KG,加包装重26KG.
805A灯丝采用直流供电.8欧输出端 噪声电压小于2毫伏
优质菠萝格木面板。电源输入设置: 115V/230V |
75单 |
460WA9 |
售完 |
 |
T1D-805
6P3P阴极阻流圈直推
805
甲类/
横式 |
照1
照2
照3 |
2X18W |
805A X2,6P3P X2,6J8P
X2,6E2 X2,5Z3PA X1。
805A灯丝采用直流供电.8欧输出端
噪声电压小于3毫伏。
不锈钢盘。 外形尺寸:长深高(CM)
43X33X25.
整机重23KG,加包装重26KG. |
18W单 |
460WB16 |
售完 |
 |
T1D-845
甲类/
横式 |
照1
照2
照3
电路 |
2X15W |
845 X2(或211),6P9P
X2,6J8P X2,6E2 X2,5Z3PA X1。
845灯丝采用直流供电.8欧输出端
噪声电压小于3毫伏。
不锈钢盘。 外形尺寸:长深高(CM)
43X33X25.
整机重21.6KG,加包装重24.6KG. |
18W单 |
460WB16 |
售完 |